Động cơ DC Servo Geared TT Motor with Encoder Ratio 1:45 là bản nâng cấp hoàn hảo của Động cơ DC giảm tốc V1 TT Motor với các nguyên liệu chất lượng cao cho độ bền và độ ổn định vượt trội, đặc biệt động cơ được tích hợp thêm Encoder 2 kênh AB cho các ứng dụng cần độ chính xác cao.
Động cơ DC Servo Geared TT Motor with Encoder Ratio 1:45 sử dụng lõi động cơ F130 từ tính mạnh cho lực kéo khỏe, động cơ được sản xuất và kiểm tra với cam kết từ nhà sản xuất về tỉ lệ sai lệch tốc độ giữa các động cơ < 10% giúp xe robot có thể chạy thẳng và điều khiển dễ dàng (các loại động cơ giá rẻ thường tỉ lệ sai lệch về tốc độ lớn làm cho xe chạy bị lệch khi cấp cùng 1 mức điện áp).
Động cơ DC Servo Geared TT Motor with Encoder Ratio 1:45 hoàn toàn tương thích với Động cơ DC giảm tốc V1 TT Motor nên có thể sử dụng chung các loại gá bắt và bánh xe tương thích, thích hợp với các mô hình Robot đơn giản: xe dò line, tránh vật cản,...
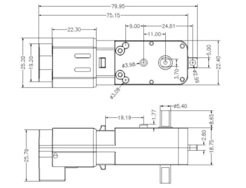
Thông số kỹ thuật:
Sơ đồ chân Encoder:







Mọi thắc mắc xin Quý Khách nhắn tin qua Zalo OA / Facebook Messenger để được hỗ trợ sớm nhất, Hshop xin chân thành cảm ơn!
Quý Khách nên tìm hiểu kỹ thông tin sản phẩm, chính sách Bảo Hành & Đổi Trả trước khi đặt hàng, khi nhận hàng Quý Khách nên mở gói hàng cẩn thận giữ lại đầy đủ phụ kiện, bao bì, vỏ hộp còn mới, không rách, móp méo trong ít nhất 7 ngày.
Các bước mua hàng Online tại Hshop.vn:
Quý Khách có thể thanh toán cho Hshop.vn qua 3 cách sau:
Mọi thắc mắc xin Quý Khách nhắn tin qua Zalo OA / Facebook Messenger để được hỗ trợ sớm nhất, Hshop xin chân thành cảm ơn!
Động cơ DC Servo Geared TT Motor with Encoder Ratio 1:45 là bản nâng cấp hoàn hảo của Động cơ DC giảm tốc V1 TT Motor với các nguyên liệu chất lượng cao cho độ bền và độ ổn định vượt trội, đặc biệt động cơ được tích hợp thêm Encoder 2 kênh AB cho các ứng dụng cần độ chính xác cao.
Động cơ DC Servo Geared TT Motor with Encoder Ratio 1:45 sử dụng lõi động cơ F130 từ tính mạnh cho lực kéo khỏe, động cơ được sản xuất và kiểm tra với cam kết từ nhà sản xuất về tỉ lệ sai lệch tốc độ giữa các động cơ < 10% giúp xe robot có thể chạy thẳng và điều khiển dễ dàng (các loại động cơ giá rẻ thường tỉ lệ sai lệch về tốc độ lớn làm cho xe chạy bị lệch khi cấp cùng 1 mức điện áp).
Động cơ DC Servo Geared TT Motor with Encoder Ratio 1:45 hoàn toàn tương thích với Động cơ DC giảm tốc V1 TT Motor nên có thể sử dụng chung các loại gá bắt và bánh xe tương thích, thích hợp với các mô hình Robot đơn giản: xe dò line, tránh vật cản,...
Thông số kỹ thuật:
Sơ đồ chân Encoder:






