Lưu ý mạch được tặng kèm cáp USB kết nối máy tính.
Mạch CNC BOB MACH3 USB sử dụng được với phần mềm Mach3 trên máy tính thông qua giao tiếp USB với chỉ một vài bước thiết lập đơn giản.
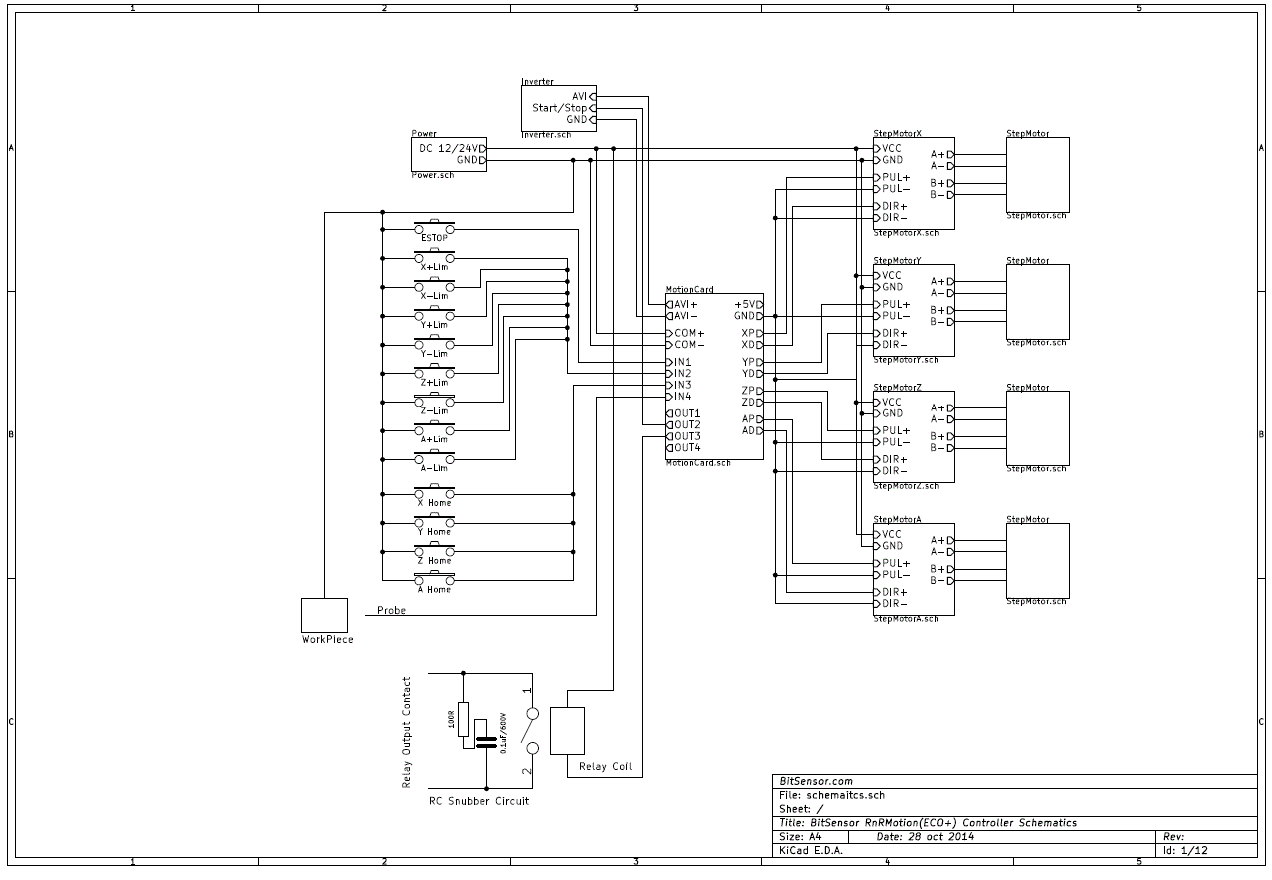
Mạch CNC BOB MACH3 USB có khả năng điều khiển 4 động cơ bước cùng lúc qua các ngõ cấp xung-chiều X, Y, Z, A, mạch còn có khả năng nhận các ngõ vào tín hiệu IN1, IN2, IN3, IN4, và xuất tín hiệu qua các ngõ ra OUT1, OUT2, OUT3, OUT4, các ngõ tín hiệu vào ra này điều được cách ly qua Opto và IC đệm nên rất an toàn cho board mạch.
Mạch CNC BOB MACH3 USB có giao tiếp USB rất dễ sử dụng với các máy tính hiện nay vì hầu hết không có cổng LPT, mạch kết nối với máy tính qua cổng USB, không cần cài Driver (Driver viết lớp HID), chỉ 1 vài bước thiết lập đơn giản là có thể sử dụng.
Lưu ý để xuất xung từ Mạch CNC BOB MACH3 USB sang Driver động cơ bước, cần nối dương chung 5V của mạch BOB với chân dương chung của mạch Driver để 2 board mạch có thể hiểu nhau.
Thông số kỹ thuật:
Hướng dẫn sử dụng:
Sơ đồ kết nối:



Mọi thắc mắc xin Quý Khách nhắn tin qua Zalo OA / Facebook Messenger để được hỗ trợ sớm nhất, Hshop xin chân thành cảm ơn!
Quý Khách nên tìm hiểu kỹ thông tin sản phẩm, chính sách Bảo Hành & Đổi Trả trước khi đặt hàng, khi nhận hàng Quý Khách nên mở gói hàng cẩn thận giữ lại đầy đủ phụ kiện, bao bì, vỏ hộp còn mới, không rách, móp méo trong ít nhất 7 ngày.
Các bước mua hàng Online tại Hshop.vn:
Quý Khách có thể thanh toán cho Hshop.vn qua 3 cách sau:
Mọi thắc mắc xin Quý Khách nhắn tin qua Zalo OA / Facebook Messenger để được hỗ trợ sớm nhất, Hshop xin chân thành cảm ơn!
Lưu ý mạch được tặng kèm cáp USB kết nối máy tính.
Mạch CNC BOB MACH3 USB sử dụng được với phần mềm Mach3 trên máy tính thông qua giao tiếp USB với chỉ một vài bước thiết lập đơn giản.
Mạch CNC BOB MACH3 USB có khả năng điều khiển 4 động cơ bước cùng lúc qua các ngõ cấp xung-chiều X, Y, Z, A, mạch còn có khả năng nhận các ngõ vào tín hiệu IN1, IN2, IN3, IN4, và xuất tín hiệu qua các ngõ ra OUT1, OUT2, OUT3, OUT4, các ngõ tín hiệu vào ra này điều được cách ly qua Opto và IC đệm nên rất an toàn cho board mạch.
Mạch CNC BOB MACH3 USB có giao tiếp USB rất dễ sử dụng với các máy tính hiện nay vì hầu hết không có cổng LPT, mạch kết nối với máy tính qua cổng USB, không cần cài Driver (Driver viết lớp HID), chỉ 1 vài bước thiết lập đơn giản là có thể sử dụng.
Lưu ý để xuất xung từ Mạch CNC BOB MACH3 USB sang Driver động cơ bước, cần nối dương chung 5V của mạch BOB với chân dương chung của mạch Driver để 2 board mạch có thể hiểu nhau.
Thông số kỹ thuật:
Hướng dẫn sử dụng:
Sơ đồ kết nối:


